GZS 型慣性振動輸送機
一、用途與特點
慣性振動輸送機用于各種粒狀、中等塊度以下的非粘性物料(含水量小于5%)。比較適宜輸送高磨耗、高溫度(300℃以下)物料。如水泥熟料、烘干熱礦炸、砂等。本機有如下特點:
1、輸送量大、重量輕、電耗低。
2、負載特性好。機槽振幅受電壓波動對輸送量的影響很小;起動快,在滿載情況下均能正常起動;停車快,停車時整機穩定。
3、結構簡單,調試容易,磨損件少,維修量少。
4、安裝方便。不需專用地基和地腳螺栓,便于移動位置。
5、隔震性能好。故適宜水泥熟料及礦渣庫頂輸送。

二.主要技術參數
參數
型號
輸送量(t/h)
額定振幅(mm)
電機功率(kw)
電機轉速(rpm)
設備重量(kg)
GZS400-4.7
≤50
5
1.5
1410
~1400
GZS400-5.7
≤50
5
1.5
1410
~1550
GZS400-6.7
≤50
5
1.5
1410
~1950
GZS400-7.7
≤50
5
1.5
1410
~2100
GZS650-4.7
≤100
5
2.2
1430
~2650
GZS650-5.7
≤100
5
2.2
1430
~2800
GZS650-6.7
≤100
5
3.0
1430
~3200
GZS650-7.7
≤100
5
3.0
1430
~3500
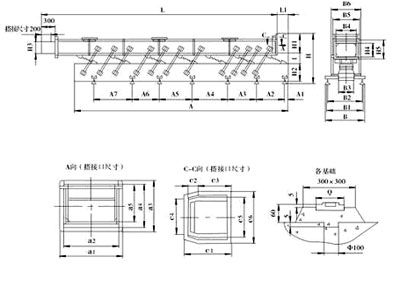
三.外形尺寸及基礎尺寸:
型號
H
H1
H2
H3
H4
H5
B
B1
B2
B3
B4
B5
B6
GZS400-4.7-7.7
~1350
429
490
240
232
360
840
780
640
500
400
538
670
GZS650-4.7-7.7
~1500
477
540
280
270
380
1140
1000
840
660
650
830
1010
型號
a1
a2
a3
a4
a5
C1
C3
C3
C4
C5
C6
C7
GZS400-4.7-7.7
538
448
469
380
320
342
98
200
398
448
530
200
GZS650-4.7-7.7
830
718
527
422
362
347
98
200
648
718
830
250
?
型號
L
L1
I
A
A1
A2
A3
A4
A5
A6
A7
GZS400-4.7
4700
401
310
4000
180
930
1300
660
660
-
-
GZS400-5.7
5700
370
310
5000
400
570
570
1830
725
725
-
GZS400-6.7
6700
340
310
6000
200
645
645
1385
820
820
820
GZS400-7.7
7700
370
310
7000
180
965
965
1180
1045
1045
1045
GZS650-4.7
4700
337
312
4000
180
410
410
1264
635
635
-
GZS650-5.7
5700
390
312
5000
180
570
570
1730
780
780
-
GZS650-6.7
6700
348
312
6000
180
625
625
1410
1040
880
880
GZS650-7.7
7700
365
312
7000
180
830
830
1490
1120
1120
1120
一、用途與特點
慣性振動輸送機用于各種粒狀、中等塊度以下的非粘性物料(含水量小于5%)。比較適宜輸送高磨耗、高溫度(300℃以下)物料。如水泥熟料、烘干熱礦炸、砂等。本機有如下特點:
1、輸送量大、重量輕、電耗低。
2、負載特性好。機槽振幅受電壓波動對輸送量的影響很小;起動快,在滿載情況下均能正常起動;停車快,停車時整機穩定。
3、結構簡單,調試容易,磨損件少,維修量少。
4、安裝方便。不需專用地基和地腳螺栓,便于移動位置。
5、隔震性能好。故適宜水泥熟料及礦渣庫頂輸送。

二.主要技術參數
| 參數 型號 |
輸送量(t/h) | 額定振幅(mm) | 電機功率(kw) | 電機轉速(rpm) | 設備重量(kg) |
| GZS400-4.7 | ≤50 | 5 | 1.5 | 1410 | ~1400 |
| GZS400-5.7 | ≤50 | 5 | 1.5 | 1410 | ~1550 |
| GZS400-6.7 | ≤50 | 5 | 1.5 | 1410 | ~1950 |
| GZS400-7.7 | ≤50 | 5 | 1.5 | 1410 | ~2100 |
| GZS650-4.7 | ≤100 | 5 | 2.2 | 1430 | ~2650 |
| GZS650-5.7 | ≤100 | 5 | 2.2 | 1430 | ~2800 |
| GZS650-6.7 | ≤100 | 5 | 3.0 | 1430 | ~3200 |
| GZS650-7.7 | ≤100 | 5 | 3.0 | 1430 | ~3500 |
三.外形尺寸及基礎尺寸:
| 型號 | H | H1 | H2 | H3 | H4 | H5 | B | B1 | B2 | B3 | B4 | B5 | B6 |
| GZS400-4.7-7.7 | ~1350 | 429 | 490 | 240 | 232 | 360 | 840 | 780 | 640 | 500 | 400 | 538 | 670 |
| GZS650-4.7-7.7 | ~1500 | 477 | 540 | 280 | 270 | 380 | 1140 | 1000 | 840 | 660 | 650 | 830 | 1010 |
| 型號 | a1 | a2 | a3 | a4 | a5 | C1 | C3 | C3 | C4 | C5 | C6 | C7 |
| GZS400-4.7-7.7 | 538 | 448 | 469 | 380 | 320 | 342 | 98 | 200 | 398 | 448 | 530 | 200 |
| GZS650-4.7-7.7 | 830 | 718 | 527 | 422 | 362 | 347 | 98 | 200 | 648 | 718 | 830 | 250 |
?
| 型號 | L | L1 | I | A | A1 | A2 | A3 | A4 | A5 | A6 | A7 |
| GZS400-4.7 | 4700 | 401 | 310 | 4000 | 180 | 930 | 1300 | 660 | 660 | - | - |
| GZS400-5.7 | 5700 | 370 | 310 | 5000 | 400 | 570 | 570 | 1830 | 725 | 725 | - |
| GZS400-6.7 | 6700 | 340 | 310 | 6000 | 200 | 645 | 645 | 1385 | 820 | 820 | 820 |
| GZS400-7.7 | 7700 | 370 | 310 | 7000 | 180 | 965 | 965 | 1180 | 1045 | 1045 | 1045 |
| GZS650-4.7 | 4700 | 337 | 312 | 4000 | 180 | 410 | 410 | 1264 | 635 | 635 | - |
| GZS650-5.7 | 5700 | 390 | 312 | 5000 | 180 | 570 | 570 | 1730 | 780 | 780 | - |
| GZS650-6.7 | 6700 | 348 | 312 | 6000 | 180 | 625 | 625 | 1410 | 1040 | 880 | 880 |
| GZS650-7.7 | 7700 | 365 | 312 | 7000 | 180 | 830 | 830 | 1490 | 1120 | 1120 | 1120 |








